濕式報警閥
產品概述:
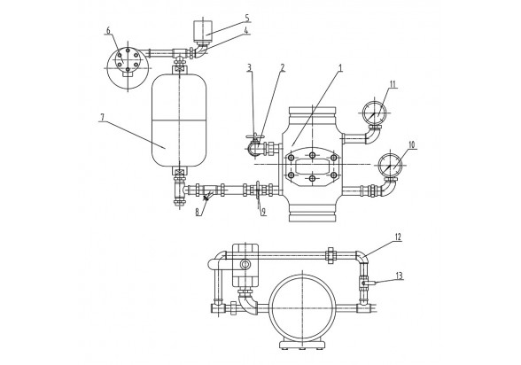
ZSFZ 是一種通用的固定滅火系統,它由濕式報警閥、延遲器、水力警鈴以及其它部件(如壓力開關、 水流指示器、 噴頭等)組成。該系統長期處于備用工作狀態,管網內充滿壓力,當保護區域內某處發生火災時,環境溫度升高噴頭上的溫度敏感元件(玻璃球)動作,密封組件脫落,自動啟動系統,將水直接噴向火災發生區域,并發出報警信號以達到報警、滅火、控火之目的。
適用于能用水滅火的建筑物,通常安裝于有火災危險的生產場所、倉庫、賓館、商場、醫院、劇院、辦公樓、高層建筑及車庫等場所。
- 技術參數
- 外型尺寸
- 零件材料
- 下載中心



